Инженеры и конструкторы постоянно работают над облегчением труда домохозяек, создают новые модели привычных устройств с расширенными функциональными возможностями и повышенной комфортностью пользования. Одним из современных видов кухонного оборудования считается смеситель для кухни с душем. В данном устройстве душ только по названию напоминает приспособление для ванных, его предназначение совсем иное.


Смеситель для кухни с душем
Чем ранее не устраивали домохозяек обыкновенные смесители для кухни?
-
Постоянные брызги во время мытья посуды. Даже самые современные аэраторы не гарантировали сухих стен, вода постоянно попадала на отделку. Для предупреждения порчи строительных конструкций в кухнях используются водостойкие материалы, они могут защитить несущие поверхности от чрезмерного увлажнения. Но вода становится причиной не только проблем с намоканием, на мокрых стенах быстро развивается небезопасная флора и фауна. Это ухудшает внешний вид кухни и может стать причиной появления аллергических реакций организма человека. В первом случае понадобится ремонт, во втором случае необходимо часто делать генеральную уборку.


Обычный смеситель на фото и большое количество брызг вокруг
-
Трудности с наполнением водой больших емкостей. Традиционные смесители пытались решить эту задачу за счет поднятия носика излива над мойкой. Но это имело и свои отрицательные последствия, чем больше высота, тем больше брызг воды попадает на стены. И еще одну проблему не решали высокие изливы – большая емкость с водой имеет значительный вес, перемещать ее в дальнейшем на газовую плиту или разделочный столик не каждой хозяйке под силу.


Чтобы налить воду в большую емкость, приходится прибегать к различным ухищрениям
-
Обыкновенный смеситель создавал заметные неудобства во время уборки мойки и разделочной площадки. Убирать приходилось влажной мочалкой, что долго, трудно и не очень качественно.


Чистка раковины
В чем преимущества нового смесителя?
- Длинный вытягивающийся шланг душа позволяет наполнять большие емкости, находящиеся на значительном удалении от мойки. Можно наполнять емкости на газовой плите или на полу, на разделочной площадке и т. д.


Вытяжная лейка позволяет быстро и легко наполнять водой емкости любого размера
- Значительно упрощается процесс мойки овощей в раковине, облегчается мытье посуды. Поддержание рабочего места в надлежащей чистоте становится намного проще.


Вымыть фрукты очень легко
- Струя из лейки может изменять свои физические характеристики. Все типы смесителей с душем имеют возможность переключать воду в режим аэрации или душевого излива.


Смеситель для кухни с душем-лейкой
Такие эксплуатационные преимущества делают новые типы смесителей востребованными среди многих пользователей.
Виды смесителей с душем
Устройства отличаются не только дизайном и материалом изготовления. По инженерным особенностям исполнения бывают:
-
смесители с одним выдвижным душем. По внешнему виду смеситель трудно отличить от обыкновенной традиционной модели – обычный поворачивающийся излив различной формы и высоты. Только при внимательном рассмотрении можно заметить, что кончик носика немного утолщенный, между ним и трубкой излива видна полоска. Носик с душем имеет отдельный шланг для подвода воды, длина шланга может составлять более 1,5 метра;


Смеситель с одним выдвижным душем
-
смесители с двумя изливами. Первый обыкновенного типа, а второй с лейкой душа. Устанавливаются отдельно, могут работать самостоятельно или параллельно. Такие типы смесителей считаются профессиональными и часто устанавливаются на кухнях кафе или ресторанов.


Смеситель с двумя изливами
По типу подачи воды могут быть одновентильными (рычажными) или двухвентильными. Изливы могут быть гибкими гофрированными или металлическими поворотными.


Смеситель однорычажный
Критерии подбора
Во время выбора конкретной модели обращайте внимание на:
- длину шланга. Желательно, чтобы в зоне досягаемости душа были все рабочие места и поверхности;
- тип конструкции. Для бытовых целей оптимальным считается вариант с одним изливом с выдвижным душем. Если на кухне предполагается обслуживание большого количества гостей, то можно устанавливать профессиональные модели;
- массу. Качественный прибор должен быть тяжелым. Небольшой вес указывает, что смеситель сделан из непрочного сплава силумина, а лейка душа пластиковая;
- тип запорного механизма. Современные керамические картриджи считаются очень надежными механизмами. Кроме того, они позволяют экономить воду, включаемая вода будет иметь ту же температуру, что и при выключении. Нет надобности длительное время заниматься регулировкой параметров при открытой подаче воды. У вентильных есть два преимущества: ремонтопригодность и традиционный классический стиль;
- производителя. Наиболее уважительно к своим покупателям относятся производители из Италии и Германии, неплохое качество у японских и чешских компаний. Что касается отечественных компаний, то им еще нужно научиться конкурировать на свободном рынке.


Смеситель для кухни Creta

Смеситель Kraus KPF-2230ORB для кухонной мойки
Не покупайте смесители у неизвестных реализаторов на рынках, пользуйтесь услугами только надежных крупных магазинов. И еще один важный момент. Во время выбора типа смесителя обращайте внимание, чтобы под мойкой было достаточно свободного пространства для шлангов. Шланг душа должен перемещаться свободно, не задевать никаких устройств под мойкой.
Для облегчения выбора ознакомьтесь со списком известных компаний-производителей смесителей с душем для кухни.
| Наименование производителя | Краткие технические характеристики |
|---|---|
![]() ![]() Lemark |
Выпускается чешской компанией, гарантийный срок до пяти лет, корпус из латуни. Имеет керамический картридж, излив поворотный, есть режим душа. Длина излива 19,7 см, лейка двухфункциональная с аэратором, металлическая рукоятка. |
![]() ![]() Rossinka |
Отечественный производитель, управление однорычажное, корпус изготовлен из латуни. Гарантия семь лет, излив поворотный, управление выполняется керамическим картриджем. Крепление корпуса стандартное, но есть возможность фиксации гайкой |
![]() ![]() Grohe |
Гарантия 5 лет, выпускается немецкой компанией. Все элементы латунные, внешнее покрытие хромовое. Есть режим душа, механизм излива – керамический картридж. Установлен автоматический переключатель душевая струя/аэратор, предусмотрена защита от обратного потока воды. |
![]() ![]() Blanco |
Рычажное управление, материал изготовления – гранит и латунь. Гибкая поводка, керамический картридж, покрытие хромом различных цветов. Шланг выдвижного излива имеет нейлоновую оплетку. |
![]() ![]() Omoikiri |
Японский производитель, излив поворотный, керамический картридж. Пластиковый аэратор имеет автоматический регулятор расхода воды – достигается существенная экономия. Длина выдвижного излива до 96 см, угол поворота излива до 90°. |
![]() ![]() Damixa |
Компания располагается в Дании, корпус латунный с двойным хромовым покрытием. Есть режим душ/излив, установлен ограничитель температуры нагрева воды. Срок гарантии 5 лет, картридж керамический. |
![]() ![]() Hansgrohe |
Выпускаемся в Германии, рычажное управление, керамический картридж. Корпус латунный, внешнее покрытие хромовое. Срок гарантии 5 лет, установлена автоматическая защита от обратного потока воды. |
![]() ![]() ARGO |
Душевой шланг с нейлоновой оплеткой, гибкая подводка до 50 см, длина душевого шланга 120 см. Однорычажное управление, керамический картридж, монтаж стандартный. |
![]() ![]() РОСТОВСКАЯ МАНУФАКТУРА САНТЕХНИКИ |
Отечественный производитель, материал изготовления – латунь. К мойке фиксируется шпильками, длина шланга лейки 1,5 м. В комплекте реализуются гибкие монтажные шланги. |
Этот перечень не исчерпывающий, мы создали список только проверенных временем и многочисленными покупателями компаний. Если вам сложно самостоятельно разобраться, то можно обратиться за советом к профессиональным сантехникам или продавцам-консультантам.


Смеситель Jacob Delafon Simplice 596D-CP для кухонной мойки


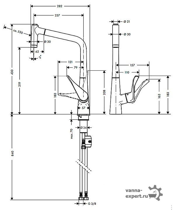
Кухонный смеситель Hansgrohe Metris


Hansgrohe Metris
Устройство смесителя для кухни с душем
Отличия между различными моделями смесителей незначительные, понимая устройство одного, нетрудно устанавливать любые виды.


Схема смесителя
Из каких элементов состоит смеситель?
- Патрубки для подключения холодной и горячей воды и патрубок для смешанной воды. Располагаются в нижней части корпуса, имеют стандартную резьбу. Большинство производителей комплектует свои товары гибкими шлангами для подключения к водорозеткам на кухне.
-
Латунная гайка для крепления корпуса к мойке. Некоторые модели могут иметь две шпильки и специальную фигурную шайбу, но принцип фиксации от этого не меняется.


Латунная гайка для крепления корпуса к мойке
-
Картридж для смешивания воды с регулировочной ручкой. Картриджи керамические отличаются большой надежностью. Во время подбора нового элемента для замены нужно обращать внимание не только на диаметр картриджа, но и его длину. Еще одна особенность – способ соединения с ручкой регулировки. Ось картриджа может быть квадратной или с насечками.


Картридж смешивания воды
-
Излив. Есть большой выбор по высоте и форме, все виды смесителей имеют вращающиеся изливы, угол поворота от 90° до 180°.


Изливы могут быть самой разной формы и размера
-
Выдвижной душ. Установлен в изливе, подключен к корпусу длинным гофрированным шлангом. Каждый душ имеет отдельную кнопку включения/выключения, есть возможность переключать режим излива из душа на обыкновенный с аэрацией. Для экономии воды и повышения удобства пользования могут устанавливаться обратные клапаны и другое оборудование.


Выдвижной душ
- Грузик. Надевается на шланг душа, служит для возвращения шланга в изначальное положение. Грузик имеет специальный механизм, позволяющий ему пропускать движение шланга в одну сторону и блокировать в другую.
-
Шланги для подключения воды. Длина может немного отличаться, но резьбовые и муфтовые концевики со стандартными размерами.


Гибкая подводка для воды
Все ответственные производители изготавливают смесители для кухни с душем из латуни, внешние поверхности покрывают двумя слоями хрома. Такое защитное покрытие не только имеет отличный внешний вид, но и не боится воздействия моющих средств, в том числе и тех, которые имеют в своем составе агрессивные химические соединения.
Видео — Смеситель для кухни с выдвижным аэратором Zegor Z47 GUF4 A129 с выдвижным изливом
Практические советы по выбору смесителей с душем
-
Обращайте внимание на нижнюю часть выдвижной лейки. Китайские и некоторые отечественные производители делают ручку из двух деталей – металлической головки и пластиковой части с резьбой. Делается это в целях экономии дорогостоящего нержавеющего сплава, что оказывает положительное влияние на рентабельность производства. Помните, что такие смесители увеличивают прибыли производителей за счет кошелька потребителей. Даже качественный первичный пластик не отличается высокими показателями физической прочности, а для изготовления недобросовестные производители применяют вторичный материал. Вторичный материал получают после переработки пластиковых отходов, даже чисто теоретически нельзя рассчитать прочность изделий из него. Результат – пластиковый элемент отламывает, смеситель нужно ремонтировать. В связи с тем, что найти запасные части к таким смесителям практически невозможно, приходится покупать новую сантехнику. Соответственно, дополнительно оплачивать стоимость услуг по демонтажу старого оборудования и монтажу нового.


Смеситель для кухни с душем — фото
-
Еще одна проблема ручек душа китайского производства – часто они изготовлены из пластика, а никелированные внешние поверхности создают видимость металла. Изготовить из пластика ручку совместно с резьбовой частью технологически очень сложно, для этого необходимо иметь дорогостоящее самое современное оборудование. А оно может работать только на первичных пластиках, вторичные запрещены к использованию производителями станков. Китайцы нашли простой выход – штуцер с резьбой приклеивают к корпусу. Эта технология приводит к неизбежным появлениям протечек. Дело в том, что пластмассовый корпус душа и штуцер с резьбой имеют различную толщину. Из-за этого детали прогреваются с неодинаковой интенсивностью, в результате параметры тепловых расширений не совпадают. Штуцер в диаметре увеличивается несколько больше, чем корпус лейки душа, клей не может удержать значительные усилия, появляются щели. Самое коварное, что течь извне незаметна, ее можно увидеть только после того, как вода появится на полу. Кухонные мойки могут иметь различные варианты монтажа, в том числе и такие, которые не позволяют своевременно обнаружить проблему. Длительная влага отрицательно влияет на все строительные материалы и конструкции. В многоквартирных домах возрастают риски затопления соседей снизу. Экономия денег на приобретении качественных смесителей может стать причиной очень больших материальных убытков.


GROHE StarLight — качественный кухонный смеситель
Практический совет. Покупайте только те смесители, которые имеют монолитную металлическую лейку, это исключает вероятность появления аварийных ситуаций.
-
Не стоит покупать лейки, имеющие переключатель режимов струи не от кнопки, а в результате поворота сеточки. Дело в том, что такое переключение приводит к гидроударам, пластиковые шланги через определенное время могут лопнуть. Качественные шланги должны быть из силикона, а не пластика, такой вариант выбирают ответственные производители, уважающие покупателей и дорожащие своим престижем.


Смеситель Grohe Minta
-
Пластиковые шланги спрятаны в обмотке, узнать их качество довольно сложно, нужно отсоединять гофрированный элемент. Сделать это в магазине вряд ли позволят, а дома смотреть уже поздно. Опытные сантехники настоятельно советуют покупать только те смесители для кухни с душем, у которых шланг открытый, прочный и плетенный.


Выбирайте смеситель с прочным шлангом
Важно. Мы часто негативно отзываемся о китайских компаниях. Не думайте, что все они реализуют некачественную продукцию, это касается только подпольных предприятий. А отечественные бизнесмены стараются покупать самые дешевые товары, соответственно, привозят в нашу страну различный хлам. Оригинальные производители выпускают очень качественную продукцию, пользующуюся заслуженным уважением во всем мире. Но и стоимость ее на уровне мировых.
И последнее. Профессиональные сантехники утверждают, что параметр высокой цены в настоящее время не является гарантированным признаком качества. Есть компании, специально устанавливающие на свою некачественную продукцию довольно высокие цены в надежде на то, что потребители поведутся на такую уловку. При покупке смесителя обращайте внимание на комплекс признаков качественной продукции, а не только на ее стоимость.


Нужно выбирать качественный и удобный смеситель
Видео — Обзор китайского смесителя с выдвижной лейкой
Как устанавливать смеситель для кухни с душем
Мы рассмотрим пример замены устаревшего смесителя для мойки новым. Тип устройства значения не имеет, все основные технологические операции выполняются по одному алгоритму.


Смеситель для кухни с душем
Шаг 1. Откройте упаковку смесителя, проверьте его комплектность, прочитайте рекомендации производителя. Наименование, чертеж и количество элементов устройства указывается в инструкции. Осмотрите каждую деталь, узнайте ее назначение и особенности использования. При этом одновременно обращайте внимание на качество поверхностей. Они должны быть гладкими, без видимых швов от пресс-форм.


Проверьте комплектацию
Важно. Если пластиковые или резиновые детали на поверхности имеют небольшие углубления – вы приобрели контрафактную продукцию. Усадки появляются из-за крайне низкого качества сырья или грубых нарушений технологии производства. Во время монтажа для устранения протечек приходится затягивать гайку со значительным усилием, а она не рассчитана на такие условия работы, трескает, соединение ослабляется, вода начинает подкапывать со всеми негативными последствиями.
Шаг 2. Наденьте на гибкий шланг душа резиновое уплотнительное кольцо. Оно должно войти в специальную канавку на нижней части корпуса смесителя. Кольцо предотвращает попадание воды между корпусом смесителя и мойкой. Аккуратно вставьте его на место, не допускайте перегибов и поворотов.


Нужно расположить уплотнитель на нижней части корпуса смесителя
Шаг 3. Прикрутите гибкие установочные шланги для подключения холодной и горячей воды. Шланги с одного конца имеют гайку, а со второго штуцер, в корпус вкручиваются штуцера.


Прикрутите шланги
Практический совет. Все соединения, имеющие резиновые прокладки или кольца, фиксируются без большого усилия. Имейте это в виду, никогда не затягивайте резьбу до упора. Резиновые прокладки должны лишь немного сжиматься, а не деформироваться до металла.
Шаг 4. Прикрутите более короткий шланг к центральному отверстию на корпусе, этот шланг подает отрегулированную воду в выдвижной душ.


Прикрутите более короткий шланг к центральному отверстию на корпусе
Шаг 5. Вставьте все шланги в технологическое отверстие на мойке. Одной рукой сверху придерживайте смеситель, а другой протяните шланги вниз.


Вставьте все шланги в технологическое отверстие на мойке
Шаг 6. Наденьте резиновую прокладку на шланги снизу мойки. Она имеет специальные вырезы, позволяющие занять правильное положение. Прислоните к прокладке металлическую шайбу. Форма шайбы в точности повторяет форму резиново прокладки.


Наденьте резиновую прокладку


Наденьте гайку
Шаг 7. В отверстия на корпусе вкрутите две шпильки, накрутите на них гайки и закрепите смеситель на мойке. Если у вас мойка из нержавеющей листовой стали, то усилие прикручивания можно немного увеличить. Рукой немного повращайте корпус смесителя, он не должен шататься. Если есть проблемы – подтяните гайки на шпильках.


В отверстия на корпусе вкрутите две шпильки
Шаг 8. Прикрутите короткий шланг к гибкому шлангу лейки. По очереди присоедините подачу холодной и горячей воды.


Вставьте уплотнитель


Соедините шланги
Шаг 9. Наденьте на гофрированный шланг лейки грузик. Он состоит из двух половинок, между собой ионии фиксируются металлическими зажимными кольцами.


Грузик
Шаг 10. Подключите шланги к водорозеткам. Откройте подачу воды и проверьте работоспособность смесителя для кухни с душем. Проверьте герметичность всех соединений.


Подключите шланги к водорозеткам


Подтяните гайки


Проверьте работоспособность смесителя
Для того чтобы быть полностью уверенным в отсутствии протечек, нужно воспользоваться простым, но очень эффективным методом проверки. Положите на пол под каждым соединением кусочки бумаги, краны подачи воды откройте, а смеситель закройте. В трубопроводах и шлангах должно быть повышенное давление. Подождите минут 10–15 и осмотрите состояние бумаги. На ней будут хорошо видны капли воды под каждой протечкой. При обнаружении проблем следует их немедленно исправить и только после этого закрывать мойку.
Практический совет. Вначале для ликвидации протечек докрутите гайки, но не более чем на четверть оборота. Если это не помогло, то снимите шланги и проверьте состояние резиновых прокладок.
Рекомендуется их заменить новыми, такие запасные части реализуются во всех магазинах сантехнического оборудования. Нет возможности посетить магазин? Ничего страшного, достаньте прокладки из посадочных мест, поверните их на 180° и вставьте обратно. Во многих случаях это помогает. Тёплый пол в ванную под плитку изучайте по ссылке.








